Welcome to the #1 Online

Marine and Watersports Superstore

For all Your Boating Needs!

  • +1 949-533-7632
  • +1 949-533-7632
  • Wishlist
  • My Account
    • Login
    • Sign Up
  • 0
Toggle menu
Extreme-Boat.com
×
×

    Shop By Category

  • Marine Electronics
    • Antennas
      • Antenna - Accessories
      • Antenna - AIS
      • Antenna - AM/FM stereos
      • Antenna - CB
      • Antenna - Cellular
      • Antenna - Hardware
      • Antenna - Satellite TV
      • Antenna - SSB
      • Antenna - TV
      • Antenna - VHF
      • Antenna - Wi-Fi
      • Cellular Amplifier/Repeater
      • GPS- Antenna, Sensors, Modules
    • Audio & Video
      • Cameras
      • Satelitte Radio
      • Stereo - Accessories and Controllers
      • Stereo - Packages
      • Stereos
      • Stereos - Amplifiers
      • Stereos - Speakers
      • Stereos - Speakers Accesories
      • Wire and Connectors
    • Cartography
      • C-MAP - 4D CHARTS
      • Cartography - C-MAP Max and Discover
      • Cartography - C-MAP Reveal
      • Cartography - Garmin G3
      • Cartography - Garmin Navionics
      • Cartography - Garmin Standard
      • Cartography - Garmin Vision
      • Cartography - Garmin Vision+
      • Cartography - Lowrance MAPS
      • Cartography - Navionics Platinum
      • Cartography - Navionics Plus
      • Cmor & C-map Na
      • Humminbird LakeMaster
    • Communications
      • Hailers
      • Intercoms
      • Satelitte Phone
      • SSB Radios
      • Survival Radios
      • Tracphone Satellite Antenna
      • Vessel Monitoring
      • VHF - Fixed Mount
      • VHF - Handheld
      • VHF - Handheld Accessories
      • VHF Accessories
      • Wifi
    • Fishfinders
      • Fishfinder - Accessories and Cables
      • Fishfinder - Blackbox
      • Fishfinder - Ice Fishing/Portable
      • Fishfinder - LCD Color
      • GPS Fishfinder Chart/Track Plotters
    • Navigation
      • B&G
      • Furuno
      • Garmin
      • Humminbird
      • Lowrance
      • Raymarine
      • Simrad
      • Sitex
      • Autopilots
      • AIS Systems
      • Binoculars
      • GPS - Handheld
      • GPS Accessories and Cables
      • GPS TRACKING DEVICE
      • GPS Watches
      • Installation Pods
      • Night Vision
      • NMEA 2000 Cables & Connectors
      • Weather Intruments
    • Transducers
      • Transducer - Accessories and Cables
      • Transducer - Ice Fishing
      • Transducer - In-hull
      • Transducer - Pocket Mount
      • Transducer - Portable
      • Transducer - Thru Hull
      • Transducer - Transom Mount
      • Transducer - Trolling Motor
    • Radar
      • B&G
      • Furuno
      • Garmin
      • Humminbird
      • Lowrance
      • Raymarine
      • Simrad
      • Radar - Accessories and Cables
      • Radar - LCD Displays
      • Radar - Mounts
      • Remanufactured
    • Instruments & Gauges
      • Tachometer Gauges
      • Voltmeter & Battery Gauges
      • Depth Displays
      • Speedometer Displays
      • Temperature Displays
      • Engine Displays
      • Multifunction Display Packages
      • Multifunction Instrument Displays
      • Wind Instruments
      • Accessories and Cables
  • Anchoring & Docking
    • Docking
      • Cleats
      • Dock Line
    • Anchoring
      • Anchors
      • Anchor Chain
      • Anchor Line
      • Anchor Rodes
      • Anchor Accessories
      • Anchor Windlass
      • Bow Rollers
      • Hawse Pipe
    • Bow Thrusters
      • Bow Thrusters
      • Bow Thruster Accesories
    • Trolling Motors
      • Trolling Motor Accessories
      • Trolling Motors
    • Shallow Water Anchors
      • Accessories and Cables
  • Electrical
    • Batteries
    • Battery - Chargers
    • Battery - Isolators
    • Battery - Switch
    • Breakers & Panels
    • Cable Seals & Boots
    • DC & AC Monitors
    • DC-DC Converters
    • ELECTRICAL
    • Fume Detectors
    • Fuse and Fuse Holders
    • Gauges - Battery
    • Grounding Accessories
    • Hatch Lifters
    • Installation Accesories
    • Installation Accessories
    • Inverters
    • Power Filters
    • Power Supplies
    • Shorepower - 100 AMP
    • Shorepower - 15 Amp
    • Shorepower - 50A 125V
    • SOLAR CHARGERS
    • Tank Monitors
    • Tools
    • Wire and Connectors
    • Shorepower
      • 30A DC Connectors
      • Shore TV/Phone
      • Shorepower - 100 AMP
      • Shorepower - 200 AMP 600V
      • Shorepower - 30 AMP
      • Shorepower - 50A 125V
      • Shorepower - 50A 250V
      • Shorepower - Adapters
      • Shorepower - Pedestals
      • Shorepower - Y-Cables
  • Engines & Parts
    • Bearings
    • Bushing
    • Caps & Bumpers
    • Condenser
    • Conversion Kit
    • Coolers
    • Crankcase
    • Cylinder Head
    • Electronic Control Units
    • Flywheel
    • Gaskets & O-Rings
    • Glowplug
    • Hydraulic Lifters
    • Ignition
    • Impellers
    • Oil Filter
    • Oil Pan
    • Piston
    • Power Pack
    • Reluctor
    • Seals
    • Shift Assist Module
    • Sparkplug
    • Springs
    • Stator
    • Sterndrive
    • Switch Box Assembly
    • Temperature Sensor
    • Thermostat
    • Tune-Up Kit
    • Voltage Regulator
    • Fuel Systems
    • Throttle and Gearshift Controls
    • Hose
    • Lubricants
    • Exhaust Elbows & Risers
    • Outboard Accessories
    • Manifolds
    • Oil Seals
    • Outboard Water Pumps
    • Distributors and Spark Plug wiring
    • Belts
    • Inboard Raw Sea Water Pumps
    • Inboard Water Circulating Pumps
    • Propellers & Accessories
  • Safety
    • Safety
      • AIS Systems
      • E.P.I.R.B
      • MOB Monitor
      • Person Locator Beacons
      • S.A.R.T.S.
      • Safety - Miscellaneous
      • Signaling Devices
      • Survival Radios
  • Cabin & Galley
    • Galley
      • Bells
      • Refridgeration
      • Water Heaters
    • Sanitation
      • Macerator & Waste Pumps
      • Sanitation
    • Plumbing & Ventilation
    • Cleaning
      • Hose
  • Boat Accessories & Hardware
    • attwood blister card
    • Deck Hardware
    • Flagpole
    • Ladders
    • Lifelines and Hardware
    • Towing
    • Wipers
    • Hatches
      • Hatches LP
      • Hatches Ocean Series
    • Steering
      • Steering Wheels
    • Lighting
      • Lights - Controllers
      • Lights - Dock
      • Lights - Exterior
      • Lights - Flood Lights
      • Lights - Interior
      • Lights - Light Bar
      • Lights - Navigation
      • Lights - Spotlight Accessories
      • Lights - Spotlights
      • Lights - Spreader Lights
      • Lights - Under Water Lights
    • Trim & Leveling
      • Trim Tabs
    • Trailer
      • Winch - Trailer
    • Accessories and Hardware
      • Boat Hooks
      • Hardware
  • Sailing
    • Instruments
    • Winches
      • Winch - Sailboat
  • More
    • Fishing
      • Fishing Accessories
    • Gearcase/Transmissions/Outdrives
    • New
    • Shop Supplies
    • Tools & Equipment
    • Winterizing
  • Shop By Brand

  • Recmar
  • TAYLORMADE
  • Sea Star Solutions
  • Sea Dog Marine
  • BRP
  • Attwood
  • TH MARINE
  • Ancor
  • Volvo Penta
  • Garmin
  • GLM Products
  • CDI Electronics
  • EMP
  • Michigan Wheel
  • Raymarine
  • Airmar
  • Navpod
  • ARCO Marine
  • Uflex
  • 3M
  • Furuno
  • Faria
  • Humminbird
  • Lowrance
  • Lewmar
  • Quicksilver
  • Marine Fasteners
  • Simrad
  • PolaStorm
  • Blue Sea Systems
  • Lumitec
  • Dr. Shrink
  • Turning Point Propellers
  • Autowares
  • NewMar
  • Fusion Electronics
  • Tie Down Engineering
  • Seaview
  • C-Map
  • KLINGSPOR Abrasives
  • Hubbell Wiring
  • Icom
  • Shakespeare
  • Bennett Trim Tabs
  • NOCO
  • Lenco Marine
  • T.H. Marine
  • Shadow Caster
  • ASP Products
  • Maretron
  • Standard
  • CMP
  • ACR Electronics
  • REDNECK TRAILER SUPPLIES
  • BEP
  • OJ Propellers
  • Bio-Kleen
  • Xantrex
  • JIF Marine
  • Si-Tex
  • CHAMPION SPARK PLUGS
  • HMS Hubs
  • Skeg Depot
  • Marinetech
  • Marine Machining & Manufacturing
  • Handi-Man Marine
  • Trelex
  • Digital Antenna
  • Minn Kota
  • Dexter Axle
  • MARINE MART
  • ProMariner
  • Dual Pro Chargers
  • Weld Mount Systems
  • Anchor Bushing, Inc.
  • Liquidynamics
  • B & G
  • Digital Yacht
  • KVH
  • Polyplanar
  • Mastervolt
  • Echonautics
  • Miscellaneous
  • Seaflo
  • Garland Mfg.
  • FLIR
  • Guest
  • Lectrotab
  • Marinco
  • Vetus
  • FORMAX
  • Intellian
  • Maxwell
  • Octopus
  • Hardline Products
  • Nature Power
  • Powerwinch
  • Uniden
  • Washington Alloy
  • KeelShield
  • View all Brands
  • Main Menu

  • About Us
  • Contact Us
  • Disclaimer
  • Faqs
  • Payment policy
  • Track your order
  • Refund & Return Policy
  • Shipping Policy
  • Privacy Policy
  • Terms & Conditions
  • Blog
  • Connect with Us:
  • Gift Certificates
  • Login or Sign Up

    Shop By Category

  • Marine Electronics
    • Antennas
      • Antenna - Accessories
      • Antenna - AIS
      • Antenna - AM/FM stereos
      • Antenna - CB
      • Antenna - Cellular
      • Antenna - Hardware
      • Antenna - Satellite TV
      • Antenna - SSB
      • Antenna - TV
      • Antenna - VHF
      • Antenna - Wi-Fi
      • Cellular Amplifier/Repeater
      • GPS- Antenna, Sensors, Modules
    • Audio & Video
      • Cameras
      • Satelitte Radio
      • Stereo - Accessories and Controllers
      • Stereo - Packages
      • Stereos
      • Stereos - Amplifiers
      • Stereos - Speakers
      • Stereos - Speakers Accesories
      • Wire and Connectors
    • Cartography
      • C-MAP - 4D CHARTS
      • Cartography - C-MAP Max and Discover
      • Cartography - C-MAP Reveal
      • Cartography - Garmin G3
      • Cartography - Garmin Navionics
      • Cartography - Garmin Standard
      • Cartography - Garmin Vision
      • Cartography - Garmin Vision+
      • Cartography - Lowrance MAPS
      • Cartography - Navionics Platinum
      • Cartography - Navionics Plus
      • Cmor & C-map Na
      • Humminbird LakeMaster
    • Communications
      • Hailers
      • Intercoms
      • Satelitte Phone
      • SSB Radios
      • Survival Radios
      • Tracphone Satellite Antenna
      • Vessel Monitoring
      • VHF - Fixed Mount
      • VHF - Handheld
      • VHF - Handheld Accessories
      • VHF Accessories
      • Wifi
    • Fishfinders
      • Fishfinder - Accessories and Cables
      • Fishfinder - Blackbox
      • Fishfinder - Ice Fishing/Portable
      • Fishfinder - LCD Color
      • GPS Fishfinder Chart/Track Plotters
    • Navigation
      • B&G
      • Furuno
      • Garmin
      • Humminbird
      • Lowrance
      • Raymarine
      • Simrad
      • Sitex
      • Autopilots
      • AIS Systems
      • Binoculars
      • GPS - Handheld
      • GPS Accessories and Cables
      • GPS TRACKING DEVICE
      • GPS Watches
      • Installation Pods
      • Night Vision
      • NMEA 2000 Cables & Connectors
      • Weather Intruments
    • Transducers
      • Transducer - Accessories and Cables
      • Transducer - Ice Fishing
      • Transducer - In-hull
      • Transducer - Pocket Mount
      • Transducer - Portable
      • Transducer - Thru Hull
      • Transducer - Transom Mount
      • Transducer - Trolling Motor
    • Radar
      • B&G
      • Furuno
      • Garmin
      • Humminbird
      • Lowrance
      • Raymarine
      • Simrad
      • Radar - Accessories and Cables
      • Radar - LCD Displays
      • Radar - Mounts
      • Remanufactured
    • Instruments & Gauges
      • Tachometer Gauges
      • Voltmeter & Battery Gauges
      • Depth Displays
      • Speedometer Displays
      • Temperature Displays
      • Engine Displays
      • Multifunction Display Packages
      • Multifunction Instrument Displays
      • Wind Instruments
      • Accessories and Cables
  • Anchoring & Docking
    • Docking
      • Cleats
      • Dock Line
    • Anchoring
      • Anchors
      • Anchor Chain
      • Anchor Line
      • Anchor Rodes
      • Anchor Accessories
      • Anchor Windlass
      • Bow Rollers
      • Hawse Pipe
    • Bow Thrusters
      • Bow Thrusters
      • Bow Thruster Accesories
    • Trolling Motors
      • Trolling Motor Accessories
      • Trolling Motors
    • Shallow Water Anchors
      • Accessories and Cables
  • Electrical
    • Batteries
    • Battery - Chargers
    • Battery - Isolators
    • Battery - Switch
    • Breakers & Panels
    • Cable Seals & Boots
    • DC & AC Monitors
    • DC-DC Converters
    • ELECTRICAL
    • Fume Detectors
    • Fuse and Fuse Holders
    • Gauges - Battery
    • Grounding Accessories
    • Hatch Lifters
    • Installation Accesories
    • Installation Accessories
    • Inverters
    • Power Filters
    • Power Supplies
    • Shorepower - 100 AMP
    • Shorepower - 15 Amp
    • Shorepower - 50A 125V
    • SOLAR CHARGERS
    • Tank Monitors
    • Tools
    • Wire and Connectors
    • Shorepower
      • 30A DC Connectors
      • Shore TV/Phone
      • Shorepower - 100 AMP
      • Shorepower - 200 AMP 600V
      • Shorepower - 30 AMP
      • Shorepower - 50A 125V
      • Shorepower - 50A 250V
      • Shorepower - Adapters
      • Shorepower - Pedestals
      • Shorepower - Y-Cables
  • Engines & Parts
    • Bearings
    • Bushing
    • Caps & Bumpers
    • Condenser
    • Conversion Kit
    • Coolers
    • Crankcase
    • Cylinder Head
    • Electronic Control Units
    • Flywheel
    • Gaskets & O-Rings
    • Glowplug
    • Hydraulic Lifters
    • Ignition
    • Impellers
    • Oil Filter
    • Oil Pan
    • Piston
    • Power Pack
    • Reluctor
    • Seals
    • Shift Assist Module
    • Sparkplug
    • Springs
    • Stator
    • Sterndrive
    • Switch Box Assembly
    • Temperature Sensor
    • Thermostat
    • Tune-Up Kit
    • Voltage Regulator
    • Fuel Systems
    • Throttle and Gearshift Controls
    • Hose
    • Lubricants
    • Exhaust Elbows & Risers
    • Outboard Accessories
    • Manifolds
    • Oil Seals
    • Outboard Water Pumps
    • Distributors and Spark Plug wiring
    • Belts
    • Inboard Raw Sea Water Pumps
    • Inboard Water Circulating Pumps
    • Propellers & Accessories
  • Safety
    • Safety
      • AIS Systems
      • E.P.I.R.B
      • MOB Monitor
      • Person Locator Beacons
      • S.A.R.T.S.
      • Safety - Miscellaneous
      • Signaling Devices
      • Survival Radios
  • Cabin & Galley
    • Galley
      • Bells
      • Refridgeration
      • Water Heaters
    • Sanitation
      • Macerator & Waste Pumps
      • Sanitation
    • Plumbing & Ventilation
    • Cleaning
      • Hose
  • Boat Accessories & Hardware
    • attwood blister card
    • Deck Hardware
    • Flagpole
    • Ladders
    • Lifelines and Hardware
    • Towing
    • Wipers
    • Hatches
      • Hatches LP
      • Hatches Ocean Series
    • Steering
      • Steering Wheels
    • Lighting
      • Lights - Controllers
      • Lights - Dock
      • Lights - Exterior
      • Lights - Flood Lights
      • Lights - Interior
      • Lights - Light Bar
      • Lights - Navigation
      • Lights - Spotlight Accessories
      • Lights - Spotlights
      • Lights - Spreader Lights
      • Lights - Under Water Lights
    • Trim & Leveling
      • Trim Tabs
    • Trailer
      • Winch - Trailer
    • Accessories and Hardware
      • Boat Hooks
      • Hardware
  • Sailing
    • Instruments
    • Winches
      • Winch - Sailboat
  • More
    • Fishing
      • Fishing Accessories
    • Gearcase/Transmissions/Outdrives
    • New
    • Shop Supplies
    • Tools & Equipment
    • Winterizing
  • Shop By Brand

  • Recmar
  • TAYLORMADE
  • Sea Star Solutions
  • Sea Dog Marine
  • BRP
  • Attwood
  • TH MARINE
  • Ancor
  • Volvo Penta
  • Garmin
  • GLM Products
  • CDI Electronics
  • EMP
  • Michigan Wheel
  • Raymarine
  • Airmar
  • Navpod
  • ARCO Marine
  • Uflex
  • 3M
  • Furuno
  • Faria
  • Humminbird
  • Lowrance
  • Lewmar
  • Quicksilver
  • Marine Fasteners
  • Simrad
  • PolaStorm
  • Blue Sea Systems
  • Lumitec
  • Dr. Shrink
  • Turning Point Propellers
  • Autowares
  • NewMar
  • Fusion Electronics
  • Tie Down Engineering
  • Seaview
  • C-Map
  • KLINGSPOR Abrasives
  • Hubbell Wiring
  • Icom
  • Shakespeare
  • Bennett Trim Tabs
  • NOCO
  • Lenco Marine
  • T.H. Marine
  • Shadow Caster
  • ASP Products
  • Maretron
  • Standard
  • CMP
  • ACR Electronics
  • REDNECK TRAILER SUPPLIES
  • BEP
  • OJ Propellers
  • Bio-Kleen
  • Xantrex
  • JIF Marine
  • Si-Tex
  • CHAMPION SPARK PLUGS
  • HMS Hubs
  • Skeg Depot
  • Marinetech
  • Marine Machining & Manufacturing
  • Handi-Man Marine
  • Trelex
  • Digital Antenna
  • Minn Kota
  • Dexter Axle
  • MARINE MART
  • ProMariner
  • Dual Pro Chargers
  • Weld Mount Systems
  • Anchor Bushing, Inc.
  • Liquidynamics
  • B & G
  • Digital Yacht
  • KVH
  • Polyplanar
  • Mastervolt
  • Echonautics
  • Miscellaneous
  • Seaflo
  • Garland Mfg.
  • FLIR
  • Guest
  • Lectrotab
  • Marinco
  • Vetus
  • FORMAX
  • Intellian
  • Maxwell
  • Octopus
  • Hardline Products
  • Nature Power
  • Powerwinch
  • Uniden
  • Washington Alloy
  • KeelShield
  • View all Brands
  • Main Menu

  • About Us
  • Contact Us
  • Disclaimer
  • Faqs
  • Payment policy
  • Track your order
  • Refund & Return Policy
  • Shipping Policy
  • Privacy Policy
  • Terms & Conditions
  • Blog
  • Connect with Us:
  • Gift Certificates
  • Login or Sign Up

Shop by Category

  • Marine Electronics
    • Antennas
      • Antenna - Accessories
      • Antenna - AIS
      • Antenna - AM/FM stereos
      • Antenna - CB
      • Antenna - Cellular
      • Antenna - Hardware
      • Antenna - Satellite TV
      • Antenna - SSB
      • Antenna - TV
      • Antenna - VHF
      • Antenna - Wi-Fi
      • Cellular Amplifier/Repeater
      • GPS- Antenna, Sensors, Modules
    • Audio & Video
      • Cameras
      • Satelitte Radio
      • Stereo - Accessories and Controllers
      • Stereo - Packages
      • Stereos
      • Stereos - Amplifiers
      • Stereos - Speakers
      • Stereos - Speakers Accesories
      • Wire and Connectors
    • Cartography
      • C-MAP - 4D CHARTS
      • Cartography - C-MAP Max and Discover
      • Cartography - C-MAP Reveal
      • Cartography - Garmin G3
      • Cartography - Garmin Navionics
      • Cartography - Garmin Standard
      • Cartography - Garmin Vision
      • Cartography - Garmin Vision+
      • Cartography - Lowrance MAPS
      • Cartography - Navionics Platinum
      • Cartography - Navionics Plus
      • Cmor & C-map Na
      • Humminbird LakeMaster
    • Communications
      • Hailers
      • Intercoms
      • Satelitte Phone
      • SSB Radios
      • Survival Radios
      • Tracphone Satellite Antenna
      • Vessel Monitoring
      • VHF - Fixed Mount
      • VHF - Handheld
      • VHF - Handheld Accessories
      • VHF Accessories
      • Wifi
    • Fishfinders
      • Fishfinder - Accessories and Cables
      • Fishfinder - Blackbox
      • Fishfinder - Ice Fishing/Portable
      • Fishfinder - LCD Color
      • GPS Fishfinder Chart/Track Plotters
    • Navigation
      • B&G
      • Furuno
      • Garmin
      • Humminbird
      • Lowrance
      • Raymarine
      • Simrad
      • Sitex
      • Autopilots
      • AIS Systems
      • Binoculars
      • GPS - Handheld
      • GPS Accessories and Cables
      • GPS TRACKING DEVICE
      • GPS Watches
      • Installation Pods
      • Night Vision
      • NMEA 2000 Cables & Connectors
      • Weather Intruments
    • Transducers
      • Transducer - Accessories and Cables
      • Transducer - Ice Fishing
      • Transducer - In-hull
      • Transducer - Pocket Mount
      • Transducer - Portable
      • Transducer - Thru Hull
      • Transducer - Transom Mount
      • Transducer - Trolling Motor
    • Radar
      • B&G
      • Furuno
      • Garmin
      • Humminbird
      • Lowrance
      • Raymarine
      • Simrad
      • Radar - Accessories and Cables
      • Radar - LCD Displays
      • Radar - Mounts
      • Remanufactured
    • Instruments & Gauges
      • Tachometer Gauges
      • Voltmeter & Battery Gauges
      • Depth Displays
      • Speedometer Displays
      • Temperature Displays
      • Engine Displays
      • Multifunction Display Packages
      • Multifunction Instrument Displays
      • Wind Instruments
      • Accessories and Cables
  • Anchoring & Docking
    • Docking
      • Cleats
      • Dock Line
    • Anchoring
      • Anchors
      • Anchor Chain
      • Anchor Line
      • Anchor Rodes
      • Anchor Accessories
      • Anchor Windlass
      • Bow Rollers
      • Hawse Pipe
    • Bow Thrusters
      • Bow Thrusters
      • Bow Thruster Accesories
    • Trolling Motors
      • Trolling Motor Accessories
      • Trolling Motors
    • Shallow Water Anchors
      • Accessories and Cables
  • Electrical
    • Batteries
    • Battery - Chargers
    • Battery - Isolators
    • Battery - Switch
    • Breakers & Panels
    • Cable Seals & Boots
    • DC & AC Monitors
    • DC-DC Converters
    • ELECTRICAL
    • Fume Detectors
    • Fuse and Fuse Holders
    • Gauges - Battery
    • Grounding Accessories
    • Hatch Lifters
    • Installation Accesories
    • Installation Accessories
    • Inverters
    • Power Filters
    • Power Supplies
    • Shorepower - 100 AMP
    • Shorepower - 15 Amp
    • Shorepower - 50A 125V
    • SOLAR CHARGERS
    • Tank Monitors
    • Tools
    • Wire and Connectors
    • Shorepower
      • 30A DC Connectors
      • Shore TV/Phone
      • Shorepower - 100 AMP
      • Shorepower - 200 AMP 600V
      • Shorepower - 30 AMP
      • Shorepower - 50A 125V
      • Shorepower - 50A 250V
      • Shorepower - Adapters
      • Shorepower - Pedestals
      • Shorepower - Y-Cables
  • Engines & Parts
    • Bearings
    • Bushing
    • Caps & Bumpers
    • Condenser
    • Conversion Kit
    • Coolers
    • Crankcase
    • Cylinder Head
    • Electronic Control Units
    • Flywheel
    • Gaskets & O-Rings
    • Glowplug
    • Hydraulic Lifters
    • Ignition
    • Impellers
    • Oil Filter
    • Oil Pan
    • Piston
    • Power Pack
    • Reluctor
    • Seals
    • Shift Assist Module
    • Sparkplug
    • Springs
    • Stator
    • Sterndrive
    • Switch Box Assembly
    • Temperature Sensor
    • Thermostat
    • Tune-Up Kit
    • Voltage Regulator
    • Fuel Systems
    • Throttle and Gearshift Controls
    • Hose
    • Lubricants
    • Exhaust Elbows & Risers
    • Outboard Accessories
    • Manifolds
    • Oil Seals
    • Outboard Water Pumps
    • Distributors and Spark Plug wiring
    • Belts
    • Inboard Raw Sea Water Pumps
    • Inboard Water Circulating Pumps
    • Propellers & Accessories
  • Safety
    • Safety
      • AIS Systems
      • E.P.I.R.B
      • MOB Monitor
      • Person Locator Beacons
      • S.A.R.T.S.
      • Safety - Miscellaneous
      • Signaling Devices
      • Survival Radios
  • Cabin & Galley
    • Galley
      • Bells
      • Refridgeration
      • Water Heaters
    • Sanitation
      • Macerator & Waste Pumps
      • Sanitation
    • Plumbing & Ventilation
    • Cleaning
      • Hose
  • Boat Accessories & Hardware
    • attwood blister card
    • Deck Hardware
    • Flagpole
    • Ladders
    • Lifelines and Hardware
    • Towing
    • Wipers
    • Hatches
      • Hatches LP
      • Hatches Ocean Series
    • Steering
      • Steering Wheels
    • Lighting
      • Lights - Controllers
      • Lights - Dock
      • Lights - Exterior
      • Lights - Flood Lights
      • Lights - Interior
      • Lights - Light Bar
      • Lights - Navigation
      • Lights - Spotlight Accessories
      • Lights - Spotlights
      • Lights - Spreader Lights
      • Lights - Under Water Lights
    • Trim & Leveling
      • Trim Tabs
    • Trailer
      • Winch - Trailer
    • Accessories and Hardware
      • Boat Hooks
      • Hardware
  • Sailing
    • Instruments
    • Winches
      • Winch - Sailboat
  • More
    • Fishing
      • Fishing Accessories
    • Gearcase/Transmissions/Outdrives
    • New
    • Shop Supplies
    • Tools & Equipment
    • Winterizing
  • Shop by Brand

  • Recmar
  • TAYLORMADE
  • Sea Star Solutions
  • Sea Dog Marine
  • BRP
  • Attwood
  • TH MARINE
  • Ancor
  • Volvo Penta
  • Garmin
  • View all Brands
    • Home
    • Maretron 0-3 Psi Transducer
  • Maretron 0-3 Psi Transducer
  • Maretron 0-3 Psi Transducer

    Maretron 0-3 Psi Transducer

    Maretron

    MSRP:
    Now: $174.19
    (You save )
    (No reviews yet) Write a Review
    SKU:
    WTMARPT03PSI01
    UPC:
    873804002934

    Adding to cart… category.add_cart_announcement
    Add to Wish List
    • Create New Wish List
    • Facebook
    • Email
    • Print
    • Twitter
    • Pinterest
    • Overview
    • Reviews

    Product Description

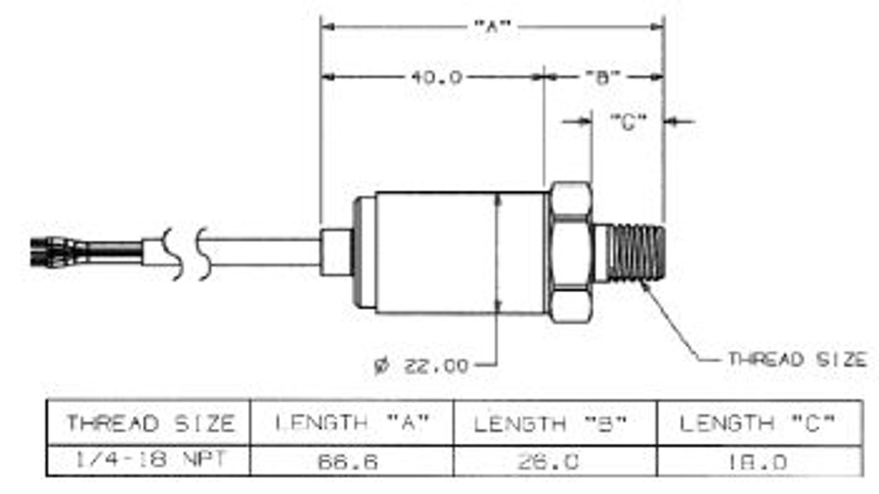
    Pressure Transducer Mechanical Drawing

    Pressure Transducer Specifications Part Number

    Range

    Accuracy

    Type

    PT-0-3PSI-01

    0 to 3 PSI (0.21 bar)

    ± 2% Full Scale

    Gauge

    PT-0-5PSI-01

    0 to 5 PSI (0.34 bar)

    ± 2% Full Scale

    Gauge

    PT-0-10PSI-01

    0 to 10 PSI (0.69 bar)

    ± 2% Full Scale

    Gauge

    PT-0-50PSI-01

    0 to 50 PSI (3.45 bar)

    ± 1% Full Scale

    Gauge

    PT-0-100PSI-01

    0 to 100 PSI (6.89 bar)

    ± 0.5% Full Scale

    Gauge

    PT-0-500PSI-01

    0 to 500 PSI (34.47 bar)

    ± 0.5% Full Scale

    Absolute

    PT-0-3000PSI-01

    0 to 3000 PSI (206.84 bar)

    ± 0.5% Full Scale

    Absolute

    Specification

    Value

    Operating Temperature

    -40°C to 105°C

    Storage Temperature

    -40°C to 105°C

    Proof Pressure

    2.4 Full Scale

    Burst Pressure

    2.4 Full Scale

    Reverse Voltage Protection

    ± 16V over 5 Minutes

    Construction

    304L stainless steel

    Pressure/Temperature Cycles

    0 to FS @ 8Hz; and ?40°C to 105°C for > 1.8x106 cycles

    Thermal Shock

    105°C to ?40°C, 0.5 hr soaks at Temp. (2s Transfer) for 300 cycles

    Vibration

    100 to 2000 Hz, 20g Sinusoidal, 3 Axes for 144 hours

    EMC Compatibility

    10 Volts/meter per EN 61000-4-3

    Humidity

    85°C and 90% to 95% R. H. for 250 hours

    Weight

    85g

    Product Videos

    Custom Field

    Product Reviews

    Write a Review

    Write a Review

    ×
    Maretron 0-3 Psi Transducer
    Maretron
    Maretron 0-3 Psi Transducer

    Recommended

    • Maretron 0-5 Psi Transducer Maretron 0-5 Psi Transducer
      Quick view Details

      Maretron

      |

      sku: WTMARPT05PSI01

      Maretron 0-5 Psi Transducer

      MSRP:
      Now: $202.99
      Add to Cart
    • Maretron 0-10 Psi Transducer Maretron 0-10 Psi Transducer
      Quick view Details

      Maretron

      |

      sku: WTMARPT010PSI01

      Maretron 0-10 Psi Transducer

      MSRP:
      Now: $178.03
      Add to Cart
    • Maretron 0-5000 Psi Transducer Maretron 0-5000 Psi Transducer
      Quick view Details

      Maretron

      |

      sku: WTMARPT05000PSI01

      Maretron 0-5000 Psi Transducer

      MSRP:
      Now: $225.07
      Add to Cart
    • Maretron 0-50 Psi Transducer Maretron 0-50 Psi Transducer
      Quick view Details

      Maretron

      |

      sku: WTMARPT050PSI01

      Maretron 0-50 Psi Transducer

      MSRP:
      Now: $217.39
      Add to Cart
    • Maretron 0-500 Psi Transducer Maretron 0-500 Psi Transducer
      Quick view Details

      Maretron

      |

      sku: WTMARPT0500PSI01

      Maretron 0-500 Psi Transducer

      MSRP:
      Now: $178.03
      Add to Cart
    ×
    ×
    Join Our Mailing List for special offers!
    Contact Us
    Address:
    1304 Park Ave, Newport Beach
    CA 92662
    United States

    Business number: 949-533-7632

    Business hours: Mon - Fri: 9:00 - 18:00
    Accounts & Orders
    • Wishlist
    • Login or Sign Up
    • Refund & Return Policy
    Quick Links
    • About Us
    • Contact Us
    • Disclaimer
    • Faqs
    • Payment policy
    • Track your order
    • Refund & Return Policy
    • Shipping Policy
    • Privacy Policy
    • Terms & Conditions
    • Blog
    Recent Blog Posts
    • 10 Essential Boating Safety Tips
    • How to Winterize Your Boat
    • New and Hot Model Launches
    Connect with Us:
    • © Extreme-Boat.com
    • |
    • Sitemap
    • |
    • Premium BigCommerce Theme by Lone Star Templates